• QQ咨询:点击这里给我发消息
  • QQ咨询:点击这里给我发消息
  • 贸易通:

  • 电话:020-37915388
  • 营业时间:8:30-17:30

产品名称:插座箱

产品编号:HT-80013

产品品牌:HONGTIAN

防护等级:IP67

产品认证:CE.CCC.UL

产品类型:电源插座箱 > 塑料电源插座箱

收起产品描述

 

产品详细信息

 

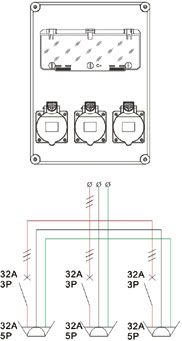
 型号:HT-80013

 32A/3P小型断路器    3
 32A/5P附加直插
IP44  3

 型号:HT-80014

 63A/3P漏电断路器    1
 32A/4P附加斜插
IP44  2

 型号:HT-80015

 50A/2P小型断路器    2
 16A/3P附加直插
IP67  6

 型号:HT-80016

 63A/3P漏电断路器    2
 65A/5P附加斜插
IP67  2

 注:箱子大小,工业插座规格,开关品牌均可按客户要求订做 以上图纸只做参考,具体请来电咨询或网上留言

收起附件下载
展开在线留言

插座箱工业插座箱 工业连接器 组合插座箱 电源插座箱 检修插座箱 热缩管 Copyright 2011-2012 All Rights 粤ICP备2024326302号 版权所有:广州市宏添机电有限公司 安全联盟